Skocz do zawartości

Prośba do elektroników - wyłącznik zasilania


Rekomendowane odpowiedzi

Opublikowano

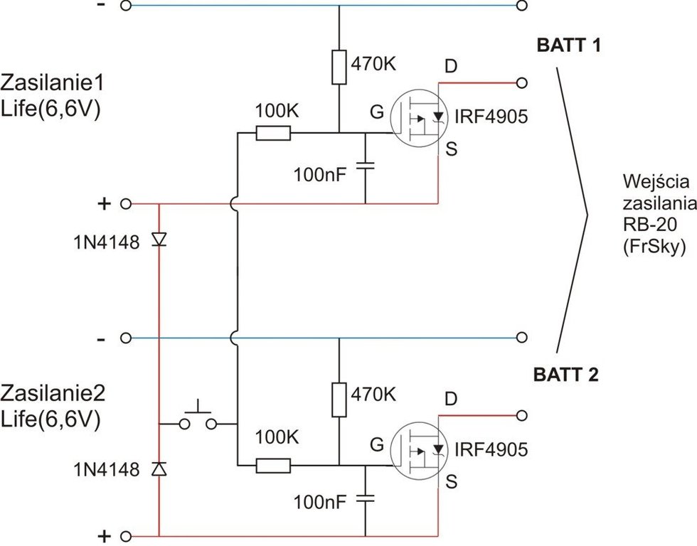
Próbuję złożyć wyłącznik do zasilania z dwóch baterii. Głównie chodzi o to by obsługiwać go jednym wyłącznikiem. Nie znam się na elektronice. Co nieco kumam ale nie na tyle by być pewnym swoich wypocin opartych głównie na podglądnięciu czy tu na forum, czy w necie. Załączony schemat złożyłem i działa, jednak jeśli by ktoś zechciał sprawdzić, będę wdzięczny. Dobór elementów taki bo te posiadam.

 

 

 

Rysunek1.jpg

Opublikowano

A co to ma robić? Bo nie za bardzo widzę jaka jest tego funkcja, ma normalnie przewodzić tylko z baterii do tego z1 i z2 a po wciśnięciu przewodzić w obie strony?

Opublikowano

Ach.. Z tego co napisałeś teraz widzę że schemat mało czytelny. Z1 i Z2 to zasilanie z dwóch niezależnych akumulatorów, BATT1 i 2 to wejście na manager FrSky RB-20. Zadaniem układu ma być możliwość włączania zasilania jednym wyłącznikiem. Ma też zapewnić obsługę prądów <20A.

(zaraz poprawię opis)

Opublikowano

Przy 20A przydałby się radiator, to będzie 8W i 0,5V spadku o ile tranzystor się całkiem otworzy(a może się całkiem nie otworzyć przy -6V). Czy w tym frsky masy nie są połączone na stale? Jak są to z części które masz zrobiłbym coś takiego:
R1, R2 100k będą dobre, po zwarciu przełącznika włącza obie baterie, sl1, sl2 baterie, sl3, sl4 wyjścia do tego frsky.

Bez tytułuu.jpg

Opublikowano

Wypróbowałem schemat, jak najbardziej ok. Rzecz w tym że chciałem by układ zapewniał zasilanie gdy wyłącznik jest rozwarty (awaria przełącznika, etc.) Wypróbowałem też napięcie otwarcia. Tranzystor otwiera w pełni przy 5V, choć nie wiem jak będzie pod obciążeniem.

Opublikowano

Ja bym zastosował tranzystor typu N w wersji L. Np. IRL 2203 lub 3803. mają bardzo mała oporność i można sterować bramki niskim napięciem. Na szybko taki schemacik. 

Można zamiast połączenia minusów baterii zastosować separacje diodami Schottky ,ale trzeba sprawdzić czy taki układ zablokuje całkowicie tranzystor. Jak będę miał chwile to sprawdzę.

zasilanie.jpg.f7267d97d63b39ed931cd595d68d3cf3.jpg

 

Opublikowano
14 godzin temu, Kamyczek_RC napisał:

Producent podaje ze tranzystor w stanie załączenia ma 20mom ale przy napięciu Bramka źródło -10V i wtedy prąc na poziomie 38A , więc te 6 V to trochę mało moim zdaniem wolał bym więc poszukać tranzystora o niższym napięciu sterującym bramką .

Jak wspomniałem żaden ze mnie elektronik więc nie bardzo wiem gdzie szukać (pewnie jakieś katalogi) i na które parametry w karcie katalogowej zwracać uwagę. Ale spróbuję poszukać.

 

8 godzin temu, Bodzioch napisał:

Ja bym zastosował tranzystor typu N w wersji L. Np. IRL 2203 lub 3803. mają bardzo mała oporność i można sterować bramki niskim napięciem. Na szybko taki schemacik. 

Można zamiast połączenia minusów baterii zastosować separacje diodami Schottky ,ale trzeba sprawdzić czy taki układ zablokuje całkowicie tranzystor. Jak będę miał chwile to sprawdzę.

zasilanie.jpg.f7267d97d63b39ed931cd595d68d3cf3.jpg

 

OK. Wypróbuję. Mam pod ręką IRL3705 czy się nadadzą? Zastosowałem układ z P tranzystorami bo RB-20 ma wspólny minus i tak wydało mi się logiczne. Teraz widzę po schemacie że nie ma to znaczenia, czy się mylę?

Opublikowano
W dniu 6.01.2020 o 19:46, Deem napisał:

Wypróbowałem schemat, jak najbardziej ok. Rzecz w tym że chciałem by układ zapewniał zasilanie gdy wyłącznik jest rozwarty (awaria przełącznika, etc.) Wypróbowałem też napięcie otwarcia. Tranzystor otwiera w pełni przy 5V, choć nie wiem jak będzie pod obciążeniem.

Na pewno nie otwiera się w pełni, może mieć nawet kilka ohmów i nie zauważysz tego bez większego obciążenia. Jak ma działać przy rozwarciu to na tych częściach zostaje to co pokazałeś na początku, tylko bez kondensatorów na bramkach i z rezystorami podciągającymi 100k. A jak masz inne częsci to układ który narysował Bodzioch będzie dobry, 

 

6 godzin temu, Deem napisał:

Mam pod ręką IRL3705 czy się nadadzą?

Będą dobre
 

Opublikowano

Złożyłem układ wg. schematu Andrzeja. Jedyna różnica to zastosowałem IRF1404, ma najniższą oporność z tych co wygrzebałem. Dziękuję wszystkim za pomoc.

  • Ostatnio przeglądający   0 użytkowników

    • Brak zarejestrowanych użytkowników przeglądających tę stronę.
×
×
  • Dodaj nową pozycję...

Powiadomienie o plikach cookie

Umieściliśmy na Twoim urządzeniu pliki cookie, aby pomóc Ci usprawnić przeglądanie strony. Możesz dostosować ustawienia plików cookie, w przeciwnym wypadku zakładamy, że wyrażasz na to zgodę.