rafal.dutka Opublikowano 20 Listopada 2017 Opublikowano 20 Listopada 2017 witam. Robie sobie projekt na piknik naukowy do szkoły. Kupiłem ten układ https://abc-rc.pl/L298N-sterownik. Podąłaczam wszystko dobrze ale nadajnik nie chce poruszać silnikami. Zmieniłem sygnał PWM na PPN i silnik działa ale kiedy sam go rusze to wtedy ciagnie ale nie zatrzymuje sie.NIe wiem co robic a potrzebuje sterować 4 serwami i tymi dwoma silnikami.Da sie jakoś to zmienic w ustawieniach? Może byc zeby przełączać miedzy sygnałami ale nie wiem jak
Bodzioch Opublikowano 21 Listopada 2017 Opublikowano 21 Listopada 2017 Sygnałem 1-2ms z odbiornika to raczej tego układu nie wysterujesz. Musisz mieć układ który zmieni te impulsy na PWM 0-100% i wyjściem ze stanem 1-0 do zmiany kierunku obrotów. Tak na szybko może by się sprawdził układ PIC12F675 z programem regla dwukierunkowego który stosuje w moich reglach dwukierunkowych. Schemat na stronie. http://modelhobby.republika.pl/regulator/reglerpic.htm
Zycior Opublikowano 21 Listopada 2017 Opublikowano 21 Listopada 2017 Tak na szybko może by się sprawdził układ PIC12F675 z programem regla dwukierunkowego który stosuje w moich reglach dwukierunkowych. Andrzeju, nie do końca się nada bo w dwukierunkowym masz wypełnienie 0-100% PWM od połowy ruchu drążka (tzn. albo 1 albo 2 połówka - zależy z którego połówki mostka skorzystasz). Do wysterowania tego układu, o którym mówi Rafał bardziej nada się Twój (czy mój ) układ do oświetlenia - tam masz 0-100% PWM na całym zakresie drążka. Chyba, że miałeś na myśli całkowite zastąpienie L298 Twoim regulatorem (... albo moim ), wtedy to już "inna inszość"
Tomasz D. Opublikowano 21 Listopada 2017 Opublikowano 21 Listopada 2017 Panowie, albo ja czegoś nie rozumiem, albo układ L298 służy do sterowania silników krokowych. O jakim PWM Wy mówicie? Tam występują wyłącznie sygnały STEP (CLOCK) i ENABLE. Pierwszy to prostokąt o wypełnieniu 50% o zmiennej częstotliwości a drugi to zerojedynkowy stan ustalony.
Bodzioch Opublikowano 22 Listopada 2017 Opublikowano 22 Listopada 2017 Cechy produktu ze strony sklepuModuł ze sterownikiem L298 umożliwia kontrolę kierunku obrotów i prędkości dwóch silników prądu stałego lub jednego dwu fazowego silnika krokowegoL298N zawiera zabezpieczenie przed przegrzaniem układu.Zasilany jest napięciem do 12 V.Maksymalny prąd kanał wynosi 2 A.Układ posiada wbudowany regulator napięcia 5 V, do zasilania części logicznej. Patrząc na schemat układu to są tam dwa mostki typu H i logika na bramkach do sterowania tranzystorami więc chyba nie ma żadnego problemu sterowania silnikami DC. Marcin jeżeli układ ma pracować jako regulator jednokierunkowy to program sterujący oświetleniem ale jak ma być dwukierunkowy to program regla dwukierunkowego z wyjściem do zmiany kierunków.( u mnie górne tranzystory mostka) Wyjścia PWM można zmiksować na tranzystorach lub pewnie zastosować dwie diody schottky w celu odseperowania wyjść procka. A najprościej zastosować dwa zwykłe regle i po kłopocie.
Tomasz D. Opublikowano 22 Listopada 2017 Opublikowano 22 Listopada 2017 Słusznie. Zasugerowałem się aplikacją ze strony 8 noty aplikacyjnej. Ale na stronie 6 jest pokazane zastosowanie do silników prądu stałego. Przepraszam za zamieszanie. Ten układ jest bardziej uniwersalny, niż myślałem.
Zycior Opublikowano 22 Listopada 2017 Opublikowano 22 Listopada 2017 Masz Andrzeju rację, nie popatrzyłem na schemat. Zapomniałem, że l298 to dwa mostki H, a nie jeden. Tak więc jak mówiłeś - wsad z Twojego, czy mojego regulatora jak najbardziej się nada Kolejny raz potwierdza się reguła, że czytać nie znaczy przeczytać
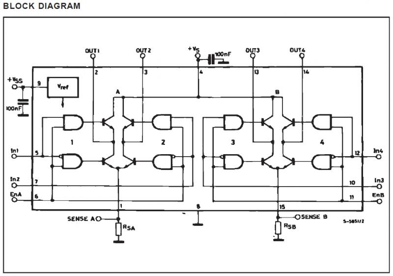
ssuchy Opublikowano 24 Listopada 2017 Opublikowano 24 Listopada 2017 witam. Robie sobie projekt na piknik naukowy do szkoły. Kupiłem ten układ https://abc-rc.pl/L298N-sterownik. Podąłaczam wszystko dobrze ale nadajnik nie chce poruszać silnikami. Zmieniłem sygnał PWM na PPN i silnik działa ale kiedy sam go rusze to wtedy ciagnie ale nie zatrzymuje sie.NIe wiem co robic a potrzebuje sterować 4 serwami i tymi dwoma silnikami.Da sie jakoś to zmienic w ustawieniach? Może byc zeby przełączać miedzy sygnałami ale nie wiem jak No to zrób fotkę, pokaż i wyjaśnij jak zrealizowałeś wszystkie połączenia (mam co do tego wątpliwości, że jest, jak piszesz: "dobrze"). Silniki mają mieć sterowanie obrotami nawrotne, czy jednokierunkowe (bo tego nie podałeś) Sygnałem 1-2ms z odbiornika to raczej tego układu nie wysterujesz. Musisz mieć układ który zmieni te impulsy na PWM 0-100% i wyjściem ze stanem 1-0 do zmiany kierunku obrotów. Tak na szybko może by się sprawdził układ PIC12F675 z programem regla dwukierunkowego który stosuje w moich reglach dwukierunkowych. Schemat na stronie. http://modelhobby.republika.pl/regulator/reglerpic.htm Po co tak daleko szukać? Na pfmrc jest świeży schemat układu: prostego regulatora PWM do silników DC i na dodatek z hexem za free (do zaprogramowania ATtiny10: do ściągnięcia z rcgroup - link podałem, jest tam źródło w assemblerze i skompilowany plik .hex), czego nie można powiedzieć o schematach z linku podanego przez Andrzeja (chyba, że źle widzę i nie dostrzegłem wsadów do PICów). Opisy wyprowadzeń na tych schematach z PICami wywołują "lekki oczopląs" (gdzie tam występuje np. napięcie -5V, tak jak jest podane na którymś ze schematów??). Może by tak podali na modelhobby źródło, skąd te schematy pochodzą. Tylko, co to pomoże koledze Rafałowi? Rafał, zrób test poprawności działania samego modułu mostków H, który kupiłeś. Powinieneś to zrobić na samym początku bojów. Nie potrzeba aparatury R/C! Będziesz pewien, że moduł działa poprawnie. Żeby zrobić w L298 tryb pracy mostka typu PHASE/ENABLE z jednym wejściem sterującym kierunkiem obrotów motorka (o czym wspomina wyżej Andrzej), myślę, że wystarczy spiąć dwa wejścia IN logiki sterującej w każdym mostku H bramką inwertującą (najprościej jeden tranzystor npn/nmosfet z rezystorami). Dla ciekawych struktura wewnętrzna (co by nie szukać) L298:
ssuchy Opublikowano 3 Grudnia 2017 Opublikowano 3 Grudnia 2017 Rafał, zobacz TUTAJ. Przedstawiłem tam przykład wykorzystania modułu L298 do współpracy z aparaturą RC DIY. Odbiornik tej aparatury w trybie 4 wyprowadza na wyjściach sygnały do sterowania mostkiem H typu: Phase/Enable.
Rekomendowane odpowiedzi