mayster8405 Opublikowano 23 Sierpnia 2022 Opublikowano 23 Sierpnia 2022 Pędnik laminowany z tkaniny szklanej a w wewnętrz tkaninka węglowa, reszta elenentów odlewanych w foremkach silikonowych klejem "Distal".Nie mam już całego kpl-u chociażby foremki na odlanie sruby wraz z wałem jednoczeście.Może zdjęcia pomogą. Srednica robocza turbiny nie 24 lecz 28m/m.Wylot dyszy sterującej 22m/m , natomiast śruba ma 26.5m/m , grubość 16m/m, wałek średnicy 3m/m w dlawicy 5m/m z obu stron były panewki chyba to był brąz lub silikon.W dławicy był otworek na smar.Tyle mogę powiedzieć. Jeśli chodzi o zabudowę turbiny w modelu wykonywałem kartonowe wzorniki na jej wpust w dno i rufę którego klejenie wykonałem Distalem. Element kierownicy strugi mocowany od zewnętrz rufy czterema śrubkami. Niestety nie mam gotowego pędnika gdyż były zamontowane w modelach. W jednym egzemplażu wlot poboru wody był zaopatrzony w "ruszt" w postaci czterech " noży" z aluminiowych blaszek wzdłuż osi kadłuba zapobiegający zasysaniu wodorostów. Kolega mi mówił że ma jakieś filmy do podpatrzenia, formę modeluale obecnie jest w szpitalu i jak wyjdzie to się podzieli Acha , ważne aby łopaty śruby patrząc od jej czoła zakryły całą powierzchnię średnicy. Podobnie miałem w prawdziwym pędniku mojej łodzi służbowej, z tym że śruba była czerołopatowa. Może komuś zaświeci jakiś inny 'Pomysła" co pokazałem. 1
mjs Opublikowano 23 Sierpnia 2022 Opublikowano 23 Sierpnia 2022 Henryk, a nie naszkicowałbyś z pamięci modelu (w trzech rzutach), ot tak na kartce w kratkę? Z wymiarami gabarytowymi. To mógłbym popróbować odtworzyć go we FreeShipie, wtedy wszelkie korekty same by się nasuwały i byłyby do poprawienia. FreeShip generuje kadłuby w trzech rzutach i modelu 3D. To byłoby ciekawe wydarzenie.
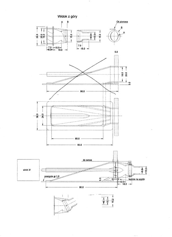
Gość Opublikowano 23 Sierpnia 2022 Opublikowano 23 Sierpnia 2022 Mirek - kadłub, kadłubem bardziej interesująca jest sama turbina i sposób jej wykonania ! Z tego co na zamieszczonych zdjęciach to widać że była przymiarka do wykonania kilku takich turbin. Jak dla mnie to sama śruba jest niezwykle interesująca bo to ona właściwie daje odpowiednią strugę. Dziś dysponując technologią druku 3D można bez problemu wydrukować kopyta i zrobić matryce ........ Dziś kleju "Distal" już się nie dostanie a jego następcy dość mocno odbiegają od oryginału ..... Henryk - pytanie: w dyszy wylotowej z przekroju okrągłego przechodzisz w przekrój kwadratowy - dlaczego ?
kaczma2 Opublikowano 23 Sierpnia 2022 Opublikowano 23 Sierpnia 2022 Swego czasu zrobiłem napęd strugowodny z blachy w ilości 2 szt. według tego rysunku. Sterowanie zrobiłem na max. Tj. regulacja obrotów, kierunek prawo lewo przód, prawo lewo do tyłu i hamowanie. Na rysunku nie ma części do wstecznego. Wydaje mi się że napęd klasyczny jest wydajniejszy. 1
mjs Opublikowano 23 Sierpnia 2022 Opublikowano 23 Sierpnia 2022 5 godzin temu, Kakabe napisał: Jak dla mnie to sama śruba jest niezwykle interesująca bo to ona właściwie daje odpowiednią strugę. Mam taki plik: propeller_2.stl i taki: propeller-boat-2.snapshot.2.zip
Gość Opublikowano 24 Sierpnia 2022 Opublikowano 24 Sierpnia 2022 12 godzin temu, kaczma2 napisał: Wydaje mi się że napęd klasyczny jest wydajniejszy. Ciężko ocenić czy napęd klasyczny jest wydajniejszy od strugowego. Składa się na to wiele czynników.... musiał to by być ten sam model, ten sam silnik, taka sama śruba - chodzi o średnicę i skok i dopiero w takim układzie można rozpatrywać który napęd jest wydajniejszy ..... Patrząc na mój test napędu strugowego w wannie wydaje mi się że jest wydajniejszy ? Ale wszystko okaże się nad jeziorem bo wanna wanną a jezioro to inna bajka. Mirosław dziękuję za pliki ? Spróbuję wydrukować testową śrubę ale dopiero jak zakończę drukowanie zlecenia - może jutro mi się uda .... Dorobiłeś już pokład ?
mjs Opublikowano 24 Sierpnia 2022 Opublikowano 24 Sierpnia 2022 Napęd strugowy ma dyszę, która przyspiesza przepływ wody, ale i większą powierzchnię opływu czyli większe opory. 2 godziny temu, Kakabe napisał: Dorobiłeś już pokład ? Wyszpachlowałem i wyszlifowałem kadłub. Zakupiłem nowy lakier.
Gość Opublikowano 24 Sierpnia 2022 Opublikowano 24 Sierpnia 2022 Godzinę temu, mjs napisał: Zakupiłem nowy lakier. Koloru lakieru oczywiście nie zdradzisz bo to będzie niespodzianka ? Stawiam na jakiś jaskrawy - żółty, zielony lub pomarańczowy ......... Godzinę temu, mjs napisał: Napęd strugowy ma dyszę, która przyspiesza przepływ wody, ale i większą powierzchnię opływu czyli większe opory. Może i tak .... ? testując w wannie napęd strugowy i klasyczną śrubę fi 35 (większa niż w turbinie) na tym samym silniku odniosłem wrażenie że jednak napęd strugowy wytwarzał większy ciąg. No i silnik przy napędzie strugowym był chłodny a przy tradycyjnej śrubie nieco zrobił się ciepły. Być może to efekt większej średnicy śruby ale raczej chyba nie bo silnik ma 2040 W mocy i taka różnica nie powinna mieć wpływu. Pomiarów elektrycznych nie zrobiłem bo nie mam sprzętu do tego a tak na prawdę to "elektryka" to czarna magia dla mnie ..... rozróżniam co to kabel "-" i "+" oraz "masa" ale to koniec mojej znajomości zagadnienia ......? Przetestuję na jeziorze ( nie mam się z kim wybrać a samemu to tak trochę nudno - nawet nie ma kto filmu nakręcić) - dopiero wyciągnę wnioski czy warto dalej "produkować" modele z napędem strugowym........????
mayster8405 Opublikowano 24 Sierpnia 2022 Opublikowano 24 Sierpnia 2022 Krzysztof, skoro Twój temat i prosileś o wyjaśnienia stworzyłem plany mojego modelu w 1:1 oraz rozrysowane wręgi.Rysunek wykonany przy pomocy przyrządów kreślarskich czyli może mieć minimalne niedokładności ale obrabiając go programem wyjdzie lala. Plany są w rzucie bocznym i górnym oraz rozrysowałem wręgi. Model ma długość 74.5cm, szerokość 260cm i wysokości 8.1 cm. Jeśli reflektujesz to podaj mi adres na priv lub też telefon, a ja Ci wyślę plany, a jak się da to też elementy pędnika które mi zostały. Mnie już nie są potrzebne bo już nie wrócę do pływadełek. A tak, ciekawostka którą się gdzies na forum chwaliłem, mianowicie model ślizgu Notre Dam który sobie zrobilem a następnie podarowalem koledze bo był" napalony" na niego .Niestety słomiany zapał spowodował że modelik podupadł nie wykonując żądnej próby pływania i wrócił ponownie do mnie. NotreDameWeb.zip
Gość Opublikowano 24 Sierpnia 2022 Opublikowano 24 Sierpnia 2022 46 minut temu, mayster8405 napisał: .....stworzyłem plany mojego modelu w 1:1 oraz rozrysowane wręgi. Henryk bardzo dziękuję za chęć pomocy i narysowane plany ale to kolega Mirosław z Poznania prosił o rysunki bo chciał je przerysować w swoim programie FreeShip. Mnie bardziej interesuje turbina jaką wykonałeś i jej osiągi. Jakie były założenia modelu i co udało się osiągnąć w realu. O technologii wykonania już napisałeś i jestem Ci bardzo wdzięczny bo odświeżyłeś wspomnienia jak to dawniej trzeba było pogłówkować żeby coś sobie zbudować. Ciężko było z materiałami modelarskimi i trzeba było kombinować. Jeśli się nie było zawodnikiem to jedynym źródłem zaopatrzenia była Centralna Składnica Harcerska ...... Dziś praktycznie wszystko można kupić ........ Henryk ja raczej nie będę budował takiej turbiny tak że nie ma potrzeby abyś przysyłał mi te elementy. Może kolega Mirosław będzie zainteresowany. Bardzo Dziękuję Henryku ? 55 minut temu, mayster8405 napisał: Mnie już nie są potrzebne bo już nie wrócę do pływadełek. A ja na odwrót - uciekam z latania bo wkurzają mnie nowe "restrykcje" jakie sobie wymyślili aby utrudnić życie modelarzom - latałem okazjonalnie - egzaminy, licencje, numery rejestracyjne......... Ubezpieczenie i tak od wielu, wielu lat opłacam dobrowolnie bo zdaję sobie sprawę że takim modelem można narobić sporo bałaganu i odebrać komuś zdrowie ....... Godzinę temu, mayster8405 napisał: A tak, ciekawostka którą się gdzies na forum chwaliłem, mianowicie model ślizgu Notre Dam który sobie zrobilem Model super !!!!!!! Widzę że i kolega zastosował balsę w tym modelu. Ja też bardzo chętnie używam balsy bo model buduje się dość szybko i po zalaminowaniu kadłub jest wytrzymały a jednocześnie dość lekki. Jak szybko pływała ???
mayster8405 Opublikowano 25 Sierpnia 2022 Opublikowano 25 Sierpnia 2022 Nie ma sprawy, jak tylko Mirek zechce służę rysunkami/ tylko adresik?. PZDR
Gość Opublikowano 25 Sierpnia 2022 Opublikowano 25 Sierpnia 2022 W dniu 23.08.2022 o 22:36, mjs napisał: Mam taki plik: Wydrukowałem próbnie jedną ze śrub z plików udostępnionych przez Mirka ..... Gdybym budował sam taką turbinę to zdecydowanie zastosował bym "fabryczną'.... Wydaje mi się że drukowana śruba nie wytrzyma 30 000 - 40 000 obrotów ..... oczywiście to również kwestia materiału z jakiego jest wydrukowana ..... Na moim sprzęcie raczej nylonu nie wydrukuję ?
Gość Opublikowano 25 Sierpnia 2022 Opublikowano 25 Sierpnia 2022 Po długim okresie niechęci do robienia czegokolwiek przy modelach dziś postanowiłem wybrać się i przetestować AirBoat od którego rozpoczął się ten wątek ? Musiałem zmienić jezioro bo na j.Długim rzęsa wodna opanowała taflę przy samym brzegu i nie da się pływać. Pojechałem nad j.Ukiel - tam swego czasu w trakcie spaceru odnalazłem dobre zejście do wody z dala od kąpiących się ludzi. Nie będę opisywał jak trudno jest jedna ręką sterować łódką i jednocześnie filmować. Bardziej chodziło o test jak zachowuje się łódka na jeziorze. I tu zostałem totalnie zaskoczony ...... Spodziewałem się że łódka choć w przybliżeniu osiągnie taką prędkość jak model z pierwszego filmu zamieszczonego w tym wątku....... Nic z tego - silnik wyje a łódka ledwo co płynie ...... ten sam silnik a wydajność kiepska. Zastanawiam się co jest powodem ? Mam kilka "typów" które podejrzewam o spowodowanie takiego stanu rzeczy ..." - Śmigło - zmieniłem na 9 calowe firmy AeroStar.... - regulator - zmieniłem na "samochodowy" kupiony w HobbyKing ........ - aparatura - użyłem pistoletowej firmy RadioLink - jak dla mnie trochę krótki gaz...... Stawiam głównie na regulator - od początku jakoś tak słabo kręci silnikami - mało obrotów ..... Drugie miejsce to śmigło - też jakoś za specjalnie mi się nie podoba - wrócę do APC Ciężar łodzi też chyba przyczynił się do spowolnienia "śmigacza"........ Ale mimo wszystkich tych usterek jedna cecha tej łódki jest pozytywna - jest stabilna na zakrętach i mimo wiatru około 10m/s nie ma tendencji do pokazywania dna w czasie wirażu. Wniosek - następna konstrukcja kadłuba będzie zdecydowanie szersza i odrobinę wyższa. Pozostaje kwestia pływaków bocznych - na pewno trzeba trochę podnieść dziób tych pływaków bo odnosiłem wrażenie że są zbyt blisko tafli wody. Czy je poszerzać - nie wiem ..... Muszę przeprowadzić kolejny test po zmianie regulatora i śmigła ..... Nie wiem czemu ale nie mogę wstawić filmu .......
mjs Opublikowano 25 Sierpnia 2022 Opublikowano 25 Sierpnia 2022 1 godzinę temu, Kakabe napisał: Wniosek - następna konstrukcja kadłuba będzie zdecydowanie szersza i odrobinę wyższa. Czyżby ślizgacz Notre Dame? 1 godzinę temu, Kakabe napisał: Nie wiem czemu ale nie mogę wstawić filmu .......? Trzeba najpierw go wrzucić na YT, a tutaj wpisać link do filmu. Albo skompresować do ZIP.
Gość Opublikowano 25 Sierpnia 2022 Opublikowano 25 Sierpnia 2022 Godzinę temu, mjs napisał: Trzeba najpierw go wrzucić na YT, a tutaj wpisać link do filmu. Albo skompresować do ZIP. Cały czas walczę z tym filmem - zapisany w formacie MP4 odtwarza tylko głos ...... Nie mam konta YT
mjs Opublikowano 25 Sierpnia 2022 Opublikowano 25 Sierpnia 2022 4 godziny temu, Kakabe napisał: Wydaje mi się że drukowana śruba nie wytrzyma 30 000 - 40 000 obrotów ..... Oj tam nie wytrzyma, popróbuj. Pliki STL mają tę zaletę, że można przeskalować wymiary i dopasować do swoich potrzeb (eksperymentalnych). 1 godzinę temu, Kakabe napisał: Nie będę opisywał jak trudno jest jedna ręką sterować łódką i jednocześnie filmować. Na początek statyw i kamera na nim. A później kamera na głowie, albo sprzężona z aparaturą do sterowania. Ważny jest podgląd obrazu.
Gość Opublikowano 25 Sierpnia 2022 Opublikowano 25 Sierpnia 2022 15 minut temu, mjs napisał: Oj tam nie wytrzyma, popróbuj. Pliki STL mają tę zaletę, że można przeskalować wymiary i dopasować do swoich potrzeb (eksperymentalnych). Raczej nie będę drukował śrub - nie ten materiał ? 15 minut temu, mjs napisał: Na początek statyw i kamera na nim. Raczej nie wchodzi w rachubę - nie mam ani kamery ani statywu .......... 15 minut temu, mjs napisał: A później kamera na głowie, albo sprzężona z aparaturą do sterowania. Mam dwie aparatury ale żadna nie ma możliwości podglądu obrazu z kamery - jedna to Futaba a druga to RadioLink 19 minut temu, mjs napisał: Czyżby ślizgacz Notre Dame? Gdy uda mi się zamieścić film to sam zobaczysz że wyporność mała a gratów w środku zbyt dużo i za ciężko ? Chyba udało się dołączyć film z próbnego pływania .........? Test (online-video-cutter.com).mp4
mjs Opublikowano 25 Sierpnia 2022 Opublikowano 25 Sierpnia 2022 2 godziny temu, Kakabe napisał: Mam dwie aparatury ale żadna nie ma możliwości podglądu obrazu z kamery Miałem na myśli stoliczek/pulpit ze sklejki, na którym byłaby i aparatura, i kamerka (smartfon). Taki zestaw miałbyś na pasku - na szyi. Gdybyś miał jeszcze ekran do podglądu, to bajka. Tułowiem byś kamerował, a rękami sterował. 2 godziny temu, Kakabe napisał: sam zobaczysz że wyporność mała a gratów w środku zbyt dużo i za ciężko ? Chyba nie. Nie wygląda na za bardzo zanurzony, raczej za mała wydajność napędu powietrznego. Gdyby on był odwrócony do góry dnem, to śmigałby jak ta lala. Śruby mu potrzeba. No i trochę miniaturowy jest. 75 cm długości, to by było coś. Choćby ze styropianu wystrugany.
Gość Opublikowano 25 Sierpnia 2022 Opublikowano 25 Sierpnia 2022 1 godzinę temu, mjs napisał: Nie wygląda na za bardzo zanurzony, raczej za mała wydajność napędu powietrznego. Właśnie wymieniłem śmigło. Wróciłem do APC 9x6 i na "sucho" całkiem niezły wiatr robi. Jutro rano pojadę nad jezioro i przetestuję. Zobaczę czy coś pomogło .....? Prawdę powiedziawszy regulator też budzi moje wątpliwości - nie znam tej firmy, regulator kupiłem na promocji za chyba 12$ Jeśli nie będzie poprawy to wymienię na AeroStar RVS 40A. Był zainstalowany w modelu na filmie z początku wątku. Pokombinujemy - zobaczymy? Jak to sprawdzę to przetestuję napęd strumieniowy.... ale muszę znaleźć miejsce gdzie będzie lepszy dostęp do wody i nie będzie ani łabędzi ani ludzi żeby im nie zakłócać spokoju.
mjs Opublikowano 25 Sierpnia 2022 Opublikowano 25 Sierpnia 2022 Z alkierami było tak, że zniknęły te tanie i pojawiły się o 30% droższe... Inne. Najpierw sięgnąłem po zielony, a później po taki, taki: 1
Rekomendowane odpowiedzi