kbugatii
Modelarz-
Postów
276 -
Rejestracja
-
Ostatnia wizyta
-
Wygrane w rankingu
1
Treść opublikowana przez kbugatii
-
RWD 5 Bis rysowany przy pomocy CAD
kbugatii odpowiedział(a) na kbugatii temat w nasze projekty-dokumentacje. pliki
Po przejrzeniu fotografii dostępnych w sieci wersja P. Maciąga wydaje się, że jest najbardziej prawdopodobna co widać na foto poniżej: Nawet w powiększeniu nie widzę dodatkowych załamań na bocznej powierzchni poszycia z wyjątkiem głównej belki profilującej. Takowe załamania widać na fotografiach ale dotyczą one samolotów z innymi znakami rejestracyjnymi: -
RWD 5 Bis rysowany przy pomocy CAD
kbugatii odpowiedział(a) na kbugatii temat w nasze projekty-dokumentacje. pliki
Próba odwzorowania poszycia na kadłubie funkcją "loft". Według rysunków Pana Maciąga ma być siedem listew profilujących za skrzydłowy "grzbiet" kadłuba tak jak poniżej: . Po renderowaniu wygląda to tak: Przegladając wykonanie modelu w wątkach Pana Henryka ( http://pfmrc.eu/index.php?/topic/26181-rwd-5-bis-132-relacja-z-budowy/ )i Pana Wojtka ( http://pfmrc.eu/index.php?/topic/18457-rwd-5-bis-16-relacja-z-budowy/ ) widzę że zastosowano rozwiązanie górnego poszycia jak w replice RWD 5. Dodano listwę profilującą na bocznej powierzchni kadłuba (nr4 na fotografii). . co wygląda mniej więcej tak po renderowaniu CAD: Rodzi się pytanie, które rozwiązanie odpowiada najbardziej RWD 5 Bis? -
RWD 5 Bis rysowany przy pomocy CAD
kbugatii odpowiedział(a) na kbugatii temat w nasze projekty-dokumentacje. pliki
-
RWD 5 Bis rysowany przy pomocy CAD
kbugatii odpowiedział(a) na kbugatii temat w nasze projekty-dokumentacje. pliki
-
RWD 5 Bis rysowany przy pomocy CAD
kbugatii odpowiedział(a) na kbugatii temat w nasze projekty-dokumentacje. pliki
Trochę utknąłem przy sposobie umocowania statecznika poziomego. W pierwszej wersji wydawało mi się ono za delikatne: Dlatego postanowiłem półkę pod mocowanie wykonać ze sklejki 5 mm. (a nie 3 mm. jak w pierwszej wersji) oraz dołożyć dodatkowe wzmocnienia kotwiczące w stateczniku. Elementy metalowe (dural 2 mm.) poszerzyłem z 10 mm. do 20 mm. W tej wersji "zawiasy" wystawały z obrysu kadłuba: Żeby nie osłabiać półki zmieniłem miejsce przykręcenia "zawiasów" z dolnej na górną powierzchnię półki. Obecny sposób umożliwia regulację kąta zaklinowania statecznika w zakresie +/- 2 st. Tak wygląda rozwinięcie elementów z duralu, które będzie umieszczone na formatkach. Może teraz będzie dobrze? -
CDRViewer też nie - szkoda
-
RWD 5 Bis rysowany przy pomocy CAD
kbugatii odpowiedział(a) na kbugatii temat w nasze projekty-dokumentacje. pliki
Święta racja! Staram się jednak aby elementów do poprawki było jak najmniej stąd tak długi czas edytowania rysunków. Na dzień dzisiejszy pozostają do zrobienia "mostki" na formatkach. -
RWD 5 Bis rysowany przy pomocy CAD
kbugatii odpowiedział(a) na kbugatii temat w nasze projekty-dokumentacje. pliki
Cały czas rysunki poddawane są korekcji. Ostatnio zauważyłem błąd w dolnych pół-wręgach kadłuba, który został poprawiony: -
RWD 5 Bis rysowany przy pomocy CAD
kbugatii odpowiedział(a) na kbugatii temat w nasze projekty-dokumentacje. pliki
Z kronikarskiego obowiązku muszę pokazać zmienione proporcje statecznika pionowego, który w pierwszej wersji był w konflikcie z poziomym. Początkowa wersja: poprawiona: -
RWD 5 Bis rysowany przy pomocy CAD
kbugatii odpowiedział(a) na kbugatii temat w nasze projekty-dokumentacje. pliki
-
RWD 5 Bis rysowany przy pomocy CAD
kbugatii odpowiedział(a) na kbugatii temat w nasze projekty-dokumentacje. pliki
Powoli przenoszenie na formatki dobiega końca. Do wykonania są jeszcze "mostki". W założeniu formatki to: 4 x sklejka 5 mm (510 mm. x 310 mm), 1 x balsa 5 mm, 2 x balsa 3 mm, 6 x balsa 2 mm. Pozostają jeszcze pół-wręgi kadłuba, które rysowane były dla grubości 3 mm, dedykowane dla balso-sklejki. Czy zastąpienie balso-sklejki, balsą 3 mm w istotny sposób wpłynie na wytrzymałość konstrukcji kadłuba? Formatki balsa (1000 x 100 mm): Formatki sklejka (510 mm. x 310 mm): -
RWD 5 Bis rysowany przy pomocy CAD
kbugatii odpowiedział(a) na kbugatii temat w nasze projekty-dokumentacje. pliki
Z tak przygotowanych i sprawdzonych ułożeń elementów statecznika poziomego będę kopiował na formatki. -
RWD 5 Bis rysowany przy pomocy CAD
kbugatii odpowiedział(a) na kbugatii temat w nasze projekty-dokumentacje. pliki
-
RWD 5 Bis rysowany przy pomocy CAD
kbugatii odpowiedział(a) na kbugatii temat w nasze projekty-dokumentacje. pliki
Mam nadzieję, że dorobione "stopki" żeber i dźwigarów st. poziomego i SW pomogą podczas składania w realu zachować prawidłowe płaszczyzny konstrukcyjne. -
RWD-4, model polskiego samolotu w skali 1: 3,54
kbugatii odpowiedział(a) na stan_m temat w Makiety samolotów polskiej konstrukcji
Dzięki! Wszystko jasne. -
RWD-4, model polskiego samolotu w skali 1: 3,54
kbugatii odpowiedział(a) na stan_m temat w Makiety samolotów polskiej konstrukcji
Jak to dobrze, że projekt się urzeczywistnia! Widzę, że krawędź spływu lotki jest pofalowana podobnie jak skrzydła. Czy w RWD 5 jest taka sama czy też prosta jak w większości obserwowanych przeze mnie konstrukcjach ? -
RWD 5 Bis rysowany przy pomocy CAD
kbugatii odpowiedział(a) na kbugatii temat w nasze projekty-dokumentacje. pliki
Podejście do projektowania wynika z braku jakiegokolwiek doświadczenia w projektowaniu. Wersje, które tu przedstawiam są jednymi z wielu jakie spłodziłem. (jest ich tyle, że czasami mam kłopot z wyborem pliku jaki mam edytować). Do końca projektu jeszcze daleka droga i podlega on stałej ewolucji w miarę podpatrywania rozwiązań zastosowanych przez innych oraz nabywania umiejętności obsługi TC. Głównym założeniem jakie mi przyświeca to możliwie jak najwierniejsze odtworzenie wyglądu zewnętrznego RWD i stąd pytanie o kształt krawędzi natarcia steru kierunku i wysokości. W oryginale na podstawie uzyskanych informacji i podglądania fotografii wydają się one być prostokątne i dlatego wybieram wersję nr 1. Mam nadzieję, że krawędzie te wykonane z balsy gr. 5 mm. będą wystarczające. Tzw. mięso dla zawiasów mają zapewnić wstawki z balsy 5 mm. Dzięki za uwagi i czekam na następne. Tak sobie wyobrażam konstrukcje stateczników i sterów po kolejnej korekcie (elementy zaznaczone na niebiesko do wykonania samodzielnego - szlifowania: -
RWD 5 Bis rysowany przy pomocy CAD
kbugatii odpowiedział(a) na kbugatii temat w nasze projekty-dokumentacje. pliki
Dzięki! Całe szczęście, że wer.1 bo taką mam rozrysowaną. -
RWD 5 Bis rysowany przy pomocy CAD
kbugatii odpowiedział(a) na kbugatii temat w nasze projekty-dokumentacje. pliki
Proszę o pomoc w wyborze kształtu krawędzi natarcia sterów kierunku i wysokości, którą wersję wybrać do wycięcia? -
RWD 5 Bis rysowany przy pomocy CAD
kbugatii odpowiedział(a) na kbugatii temat w nasze projekty-dokumentacje. pliki
OK! Listwa natarcia (konstrukcyjna) z balsy 2 mm. Do niej przyklejone gotowe natarcie. Podobnie listwa spływu z gotowca. Jeżeli niczego nie przeoczyłem to do szlifowania pozostanie jedynie końcówka statecznika poziomego oraz dopasowanie gotowej listwy krawędzi natarcia do obrysu poszycia. -
RWD 5 Bis rysowany przy pomocy CAD
kbugatii odpowiedział(a) na kbugatii temat w nasze projekty-dokumentacje. pliki
-
RWD 5 Bis rysowany przy pomocy CAD
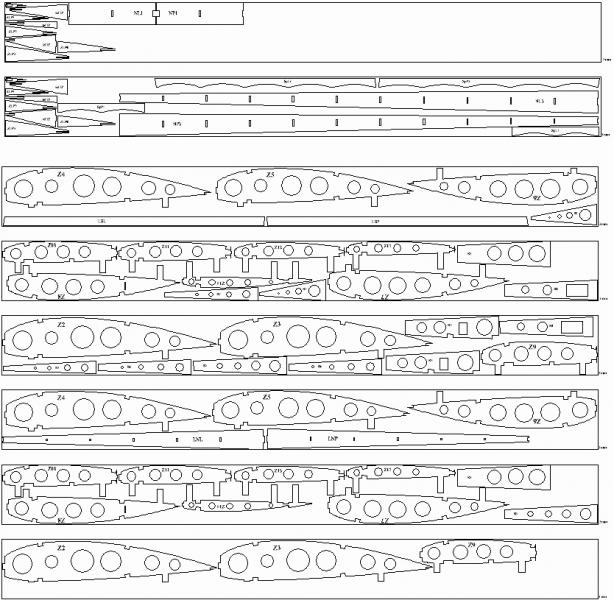
kbugatii odpowiedział(a) na kbugatii temat w nasze projekty-dokumentacje. pliki
Wszystkie elementy skrzydeł (oprócz wypełnienia miedzy dźwigarami) rozmieszczone na formatkach - balsa 2 mm oraz 3 mm. W wolne miejsca zmieszczą się jeszcze części stateczników. -
RWD 5 Bis rysowany przy pomocy CAD
kbugatii odpowiedział(a) na kbugatii temat w nasze projekty-dokumentacje. pliki
-
RWD 5 Bis rysowany przy pomocy CAD
kbugatii odpowiedział(a) na kbugatii temat w nasze projekty-dokumentacje. pliki
-
Współrzędne profilu Bartel zaczerpnięte z książki W. Schiera pt. "Najsłynniejsze polskie, sportowe samoloty wyczynowe". Niestety dolna obwiednia profilu wykreślana z tych współrzędnych jest zniekształcona i jak radzi stan_m należy poddać ją interpolacji.
- 109 odpowiedzi
