Skocz do zawartości

Replika Polskiego silniczka SiM 2b - ambitny projekt


Rekomendowane odpowiedzi

Opublikowano
59 minut temu, symon5 napisał:

czy tulejka ze spieku nadaje się do stopy korbowodu

te powyzej to do wału korbowego

a co do stopy ? sądzę , że tak

Opublikowano
12 godzin temu, symon5 napisał:

A jeszcze taka uwaga ,niezłośliwa . SIM nie będzie miał bóg wie jakich osiągów tak więc myślę że jakikolwiek brąz będzie dobry  ? . A jeszcze taka uwaga , zastanawia mnie czy tulejka ze spieku nadaje się do stopy korbowodu .

  cytuję: "Jakikolwiek brąz będzie dobry?", to znaczy jaki?  I nie jest to bynajmniej złośliwe pytanie. Nie ruszając się z miejsca jestem w stanie zamówić materiał na panewki prawie dowolnego typu:

1999513911_ScreenShot07-15-21at06_49AM.thumb.JPG.cc83f11ebb99e523a06ef328a5842c6b.JPG

 wymiary "trochę" nie pasują ale skład prawie idealny jak B-101

113749930_ScreenShot07-12-21at07_38PM.thumb.jpg.9aa91b9b579f887e530940a25b6a5ed9.jpg

Następny istotny parametr to porowatość spieku:

1421985145_ScreenShot07-15-21at07_05AM.thumb.JPG.412a37c3ecaf95d0a19820e0b10dbb4f.JPG

 

 w moim przypadku smarowanie panewek przy odpowiednich luzach ( Dużych dopuszczalnych !!!) świeżym olejem zawartym w mieszance paliwowej jest bardzo dobre. Natomiast pory wewnątrz panewki (do 50% całkowitej objętości łożyska) będą źródłem czy bardziej miejscem zbierania się nagaru. A to robi się doskonały izolator cieplny powodujący lawinowe problemy cieplne silnika. W szczególności jak do docierania użyjemy tylko oleju rycynowego z przysłowiowej Apteki. Zapominając że potrzebny jest w tym silniku także współczesny olej 2T zawierający dodatki zmywające nagar.

 

 Pomysł zastosowania spieków o 100% wypełnieniu wziął się stąd że można taki spiek zamówić. Można temu spiekowi nadać dokładnie kształt mi potrzebnej panewki wykonanej w tolerancji 0,002 mm. Problem tylko w tym że to musi być zamawiane parę tysięcy na dzień aby to było opłacalne. A ja potrzebuję wykonać tylko 67 Replik Silnika SiM 2b... 

  • Lubię to 2
Opublikowano

jeszcze chwila o samych docierakach:

IMG_3938.thumb.JPG.4da9e961137b07b78786727fc38cb401.JPG

IMG_3940.JPG.d64f30b450f1712e2a360a2622c55fe5.JPG

 docieraki tego typu też w młodości używałem. Nie polecam bo regulacja powiększania średnicy samego docieraka przez brak  dobrej regulacji powodował duże problemy w płynnej zmianie średnicy trzpienia docieraka.

IMG_4030.thumb.JPG.9bb784ed78fdbb20cea9ff5053dafde3.JPG

IMG_4031.thumb.JPG.b98de38794cfd06a0db4e7fbd412681b.JPGIMG_4043.thumb.JPG.229a82593d624ee20c48f5a117b9d1b7.JPG

1.thumb.jpg.496b04038b884fd2030524d9643b1436.jpg

po przemyśleniach:

odejścia od gwintu M27 x 1 do gwintu M26 x 1 

powrócenie także do oryginału średnicy pod panewkę fi10 H7 a było w pierwszych sztukach fi11 H7

wykonanie 12 otworów fi 2,5 H7 pod klucz do dokręcania. Co by nie było tego typu dewastacji:

post-16795-0-16174800-1560523201.thumb.jpg.f4ca9d0635cb81e1c6f95b84e346fe0e.jpg

post-16795-0-47571400-1572550488.thumb.jpg.bb4de33e274c1ec0c9df597a806b3157.jpg

Kultura techniczna. Oczywiście stosowny kluczyk dwubolcowy stalowy będę musiał zrobić i dostarczyć do każdego egzemplarza. 

2.thumb.jpg.4a9b059ef8c61238e6dbd94bb0785abb.jpg

dwie panewki główne mają już swój ostateczny kształt. Wymiary średnic niestety są jeszcze orientacyjne. Bo najpierw musi być gotowy karter toczony, anodowany i dopiero wtedy dobiorę stosowne wymiary średnic przedniej jak i głównej panewki tak aby wciśnięcie panewki w karter dało na gotowo wymiar fi8 H7 pod wał korbowy. Tu musi być odpowiedni duży luz co by panewki miały ciągłe świeże smarowanie mieszanką paliwową podczas pracy.

 Panewki korbowodowe w następnym etapie.

 

  • Lubię to 3
Opublikowano

znalazłem wreszcie artykuł w Aero Modeller z maja 1979 roku Roba Metkemeijera i Enrico Flores na temat budowy ich wyczynowych silników.

IMG_4047.thumb.JPG.b899ee11a6e8d81039dea6dd089ee340.JPG

IMG_4046.thumb.JPG.c75bf40d6c865294af36128871133a2d.JPG

Rzecz dotyczy odkształceń wału korbowego silnika wyczynowego. Replika Silnika SiM 2b będzie na pewno parę razy mniej wysilona niemniej odkształcenia obowiązują podobne. Stąd wykonanie na czopie wału korbowego stosownej zbieżności. zapobiegającej między innymi tarciu stopy korbowodu o denko.  

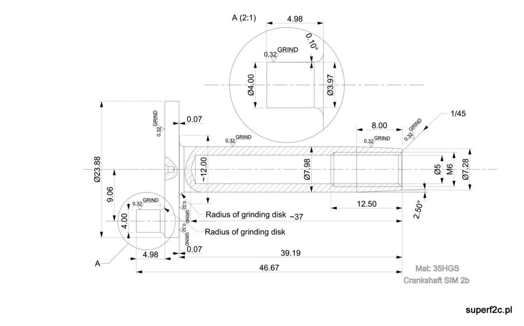
19.jpg.ef04d0817d01fdf8ce8067c8d40d5ba6.thumb.jpg.5b3217cdad3ab15840a5818641f40892.jpg

 W powiększeniu A (2:1) wymiar fi 4,00 oraz fi 3,97 mm. to wychodzi że ma być luz 0,015 na stronę jeśli przepchniemy przez fi4.00 na czopie korbowód o takiej samej zbieżności i wymiarze nominalnym otworu fi 4,00.  

  • Lubię to 1
Opublikowano

Tu kolejny przykład z mojej praktyki modelarskiej. Urwane czopy wału korbowego w zawodniczych silnikach spalinowych F2C. Padło wtedy stwierdzenie że po prostu wały korbowe wykonane zostały ze złego materiału. Bo podczas standardowej obróbki cieplnej zahartowały się źle.

 W moim przypadku tak jak już wcześniej się rozpisywałem, wały korbowe wykonane zostały z materiału 35HGS. Czyli sztanga 6-cio metrowa została pocięta na metrowe kawałki, co by do pieca hartowniczego się zmieściły. I przeszły cały cykl obróbki cieplnej. Odpuszczanie odbyło się w temperaturze o kilkadziesiąt wyższej niż temperatura azotowania.

 A sama obróbka skrawaniem z dokładnością (jak mierzyłem) plus, minus 0,01 mm odbyła się na sztywnej polskiej tokarce CNC. Mnie pozostanie tylko dotrzeć powierzchnie współpracujące z panewkami i indywidualnie później dotoczyć panewki główne jak i korbowodowe.

 sam materiał na panewki korbowodowe średnicy 6,35 do 8 mm jest problem znaleźć w necie i kupić. Mam na myśli brąz B-101.  

160775379_ScreenShot07-24-21at06_33AM.thumb.JPG.dfdc51ccf562b3c079a400305a589d8c.JPG

 Materiał CuSn8 to nie to samo co B-101. Ale jest pomysł co by kupić grubościenną (7 mm) tuleję z brązu B-101 i pociąć na stosowne kawałki. Według rysunku:

1.thumb.jpg.f16d05204966ecdb690034dd77c3271a.jpg

 Kwestia policzenia opłacalności tego przedsięwzięcia:

1694400719_ScreenShot07-24-21at06_47AM.JPG.7a98a09de1a44d00faae96dcd1f82216.JPG

1338603707_ScreenShot07-24-21at06.47AM001.JPG.b6caf2956d8055f8451da6510f4750c6.JPG

Cena za kilogram czy wałka z B-101 czy tulei także z B-101 praktycznie te same. Pozostaje tylko struktura w ten sposób otrzymanego wałka fi7 mm. Tutaj muszę podjechać do Hartowni na Duchnickiej. Tam mi podpowiedzą jak i kiedy przeprowadzić międzyoperacyjne wyżarzanie rekrystalizujące.

 

 

 

Opublikowano

Mariusz obawiam się że z tuleji o ściance 7mm może nie wydać ,sprawdzałeś jak jest w rzeczywistości z tą grubością ?

 

Opublikowano
3 godziny temu, symon5 napisał:

Mariusz obawiam się że z tuleji o ściance 7mm może nie wydać ,sprawdzałeś jak jest w rzeczywistości z tą grubością ?

 

jestem pewien że z tego źródła tuleja po wierzchu jest mocno na plusie a w środku mocno na minusie. Mam inne rozmiary i tak to wygląda. Poza tym fi 7 może być i na minusie bo faktyczny wymiar kołnierza panewki głównej korbowodu to fi 5,98 mm.

IMG_4178.thumb.JPG.0e0aeb8faf3e109d7d24df0468a62993.JPG

a samo rozcinanie odbędzie się na już gotowym przyrządzie używanym przeze mnie do frezowania kanałów płuczących w cylindrze. Z tym że podział nie będzie na cztery a na dziesięć części.

IMG_1066.JPG.97c10445dcceec62a5e1efbf5fdb09b0.thumb.jpg.134bb3ae4c04d11ea83496133f8e807e.jpg

 

IMG_9366.JPG.46d4f9ce9dc70a2208d2212be21a1840.thumb.jpg.d42f6f0658748a3f800a9ae29ede576d.jpg

 Tak jak i kanały w cylindrze tak też automatycznie rozetnie się tuleja ponad pół milimetra przed końcem skończę co by mi się to nie rozsypało... plus nowa podstawa co by detal był w wannie a sam przyrząd poza stołem "teowym".

 Najważniejsze, prawie samo się zrobi i nie będzie angażować non stop. A podejść i przestawić o 1/10 z 360 stopni jak minutnik zadzwoni to nie problem. Tak samo jak i kupić. Zamówienie napisałem a we wtorek pewnie opłacę fakturę proforma i w tym tygodniu 0,3 metra bieżącego tulei z brązu B-101 będzie u mnie w modelarni. 

  • Lubię to 1
Opublikowano
14 godzin temu, f2cmariusz napisał:

Urwane czopy wału korbowego w zawodniczych silnikach spalinowych F2C........

Sztanga 6-cio metrowa została pocięta na metrowe kawałki

 

Tak to jest , jak z kradzionego z budowy zbrojenia buduje sie silniki .

P.S: Pocieta w nocy na budowie , czy przytargana przez okienko do piwnicy i tam "zmniejszona" ? 

  • 3 miesiące temu...
Opublikowano

wreszcie wszystko zaczyna być po kolei. Czyli robię porządki jeśli chodzi o dokumentację techniczną zgodną z oryginałem plus drobne usprawnienia podnoszące żywotność wykonywanego motorka.

331926780_20211110RysunekReplikiSilnikaSiM2b.thumb.jpg.672b7fc1d09466c2c71283f822cc0fbc.jpg

rysunek jest jeszcze nie skończony. Wymaga jeszcze  wykonania paru dodatkowych przekrojów i powiększeń w celu pokazania szczegółów konstrukcyjnych.

253870071_182262340686648_8980233569199185799_n.jpg.71e06b3c3abbb0bc20c16b70e85dc145.jpg251712198_257825556387472_3736074580045157896_n.thumb.jpg.c01e3f172cc5716ab5f489f0601e1467.jpg

Jak łatwo zauważyć: "Ambitny Projekt - Replika Polskiego Silnika SiM 2b" żyje swoim życiem na tym forum. Co mnie bardzo cieszy, bo mimo braku jakiegokolwiek wpisu wątek zaliczył ponad 11 000 otworzeń od ostatniego wpisu. 

255271669_4870532016313278_8219761517506447631_n.thumb.jpg.a56310cd9c479b4fe33a152fb90df286.jpg

 to moje nowe miejsce pracy i to nie zawsze. Bo czasami po prostu nie miałem siły.

  • Lubię to 1
Opublikowano

Mariusz ; Ty sobie z nami nie zartuj !!!     Nie chce Ci sie konczyc silnika i chcesz sie nas pozbyc ? 

 

Nie POZWALAMY Ci na to !    

 

Pozdrowienia i jak najszybszego powrotu do tokarki ???

  • 1 miesiąc temu...
  • Ostatnio przeglądający   0 użytkowników

    • Brak zarejestrowanych użytkowników przeglądających tę stronę.
×
×
  • Dodaj nową pozycję...

Powiadomienie o plikach cookie

Umieściliśmy na Twoim urządzeniu pliki cookie, aby pomóc Ci usprawnić przeglądanie strony. Możesz dostosować ustawienia plików cookie, w przeciwnym wypadku zakładamy, że wyrażasz na to zgodę.