Skocz do zawartości

ssuchy

Modelarz
  • Postów

    1 112
  • Rejestracja

  • Ostatnia wizyta

  • Wygrane w rankingu

    14

Treść opublikowana przez ssuchy

  1. ssuchy

    Arduino, TX-RX, anteny

    Tak jak na rysunku. Zwoje w tych antenach nie mogą się zwierać. Tak małe anteny muszą być wykonane precyzyjnie. Przykład anteny helikalnej f-my Texas Instruments z elementami dopasowania do 50 Ohm SMA widocznymi na PCB (fider, balun z indukcyjnościami SMD muszą mieć określone wymiary i wartości): Na pewno coś więcej praktycznego napiszę o antenach, po przeprowadzeniu testów (różnych zestawów), jak wrócę do wątku o "aparaturach RC typu: zrób to sam". Obecnie (sierpień) urządzam W KOŃCU pracownię techniczną (minimodelarnię) w piwnicy (pewnie też naskrobię coś na ten temat ). O mojej pracowni elektronicznej pisałem TUTAJ , jednak żeby dalej realizować moje projekty (nie tylko elektroniczne) muszę wreszcie "zainstalować" się w takim miejscu, gdzie bez problemów mogę zgrzewać/spawać/hałasować i kurzyć elektronarzędziami/smrodzić lakierami i farbami itd. itp. Mam dosyć wyciągania za każdym razem narzędzi z pudeł i ostrożnego "działania" co by nie nakurzyć w chałupie - wszystko ostatecznie stanie na swoim miejscu - gotowe w każdej chwili do pracy, aż się cieszę na tę myśl! Chwilę to jeszcze potrwa, bo wszystko staram się zrobić sam, po optymalnych kosztach (tak jak to było z "pracownią" elektroniczną). PS Dla zaintereswanych antenami: AN058 -- Antenna Selection Guide.pdf - ciekawe materiały f-my TI na temat minianten (macie tam linki do dokumentów ze strony TI ze szczegółami budowy konkretnych anten). ... i literatura do przemyślenia o "małych" antenach (stąd pochodzi powyższa fotka): Ukryte_anteny.pdf Zbyszek, zmień tytuł tematy, na: "Arduino, TX-RX, anteny", żeby inni jeszcze z tego skorzystali (bo tak jest sugestia, że tylko o arduino się tu gada, co nie jest prawdą).
  2. ssuchy

    Arduino, TX-RX, anteny

    Dla 433MHz przy zwijanej masz ok. 3 cm "sprężynki", a przy pręcie ćwierćfalowym ok. 17 cm drutu!
  3. ssuchy

    Arduino, TX-RX, anteny

    ... no fakt, dzięki za zwrócenie uwagi! Wygląda na to, że jest to średnica podziałowa ("sprężyny"), a więc drutem 0,8-0,9 na wiertle: 4,8. Ja tak nawinąłem swoje wstępne anteny do TEJ APARATURY (tylko krótsze na 868MHz), ale zasięgu jeszcze nie badałem - na pewno trzeba będzie pobawić się w amatorskie "strojenie". W necie jest sporo opisów takich anten, różniących się nieznacznie gabarytami: i bez testów i czasochłonnych eksperymentów się nie obejdzie, jeśli chce się to dobrze zrobić i uzyskać jaki taki zasięg. Jeśli chodzi o większy zasięg na 433MHz, to moduł ma ograniczoną moc z konkretnych (wielu) powodów, a ja nie będę otwierał tej "puszki Pandory"!
  4. ssuchy

    Arduino, TX-RX, anteny

    Zrobienie dobrej anteny nie jest proste, co prawda z każdą Tx - Rx będą działać, ale tylko z odpowiednimi antenami zyskają optymalny zasięg. Poniżej wymiary anteny helikalnej na 433 MHz (zassałem gdzieś od Chińczyków): ... nawijasz 23,5 zw. na wiertle 5,5 mm na odcinku 32mm drutem 0,8 mm (może być (0,9) - długość tej "sprężyny" ma być z dokładnością +/- 1mm. Natomiast zwróć uwagę, że początkowa część anteny (odcinek 4,5mm i zagięty 2,5mm) mają być wykonane z dokładnością: +/- 0,1 mm. PS Nie używam modułów Arduino w swoich projektach - bezpośrednio programuję AVRy, jak chcę ich użyć i montuję na uniwersalce, ale może jeszcze się nimi zainteresuję.
  5. Masz rację, Andrzej! Nie przyjrzałem się dobrze, a ta fotka maluśka jest.
  6. Roman, ale po co ci schemat? Tam w środku poza mikrokontrolerem, potencjometrem i diodami LED niewiele więcej znajdziesz i nic sam nie zrobisz, tzn. nie naprawisz / nie zbudujesz tegoż, jeśli nie masz "wsadu" do procka i możliwości zaprogramowania (konieczność posiadania odpowiedniego programatora w zależności od typu uPc). No chyba, że producent przewidział możliwość wymiany firmware (praca mikrokontrolera w trybie bootstrap mode) po podłączeniu do PC-ta przez odpowiedni "kabelek", ale w takich prostych sprzętach to raczej rzadkość! Poniżej schemat prostego (bez mikrokontrolerów) testera serwomechanizmów (na układzie czasowym: 555 - w necie jest tego sporo w różnych wariantach): Simple Servo Tester na timerze: 555 - masz tam schemat, rysunek płytki ze ścieżkami i szczegółowy opis, jak to zmontować (z fotkami) krok po kroku. Jak dysponujesz programatorem np. do mikrokontrolerów AVR Atmela (obecnie Microchip), to w necie znajdziesz również wiele gotowych projektów testerów na mikrokontrolerze, gdzie twórcy udostępniają pliki .hex (ewentualnie źródła programów do skompilowania) w celu zaprogramowania procków. Przykład: Tester serwomechanizmów na ATTiny10
  7. To skrzydełko z plaży wygląda trochę inaczej niż w tych Szogunach na foto powyżej (może jakaś nowa, najpewniej uproszczona wersja).
  8. Michał, zobacz: TUTAJ.
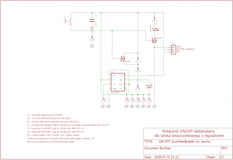
  9. Silniki bezszczotkowe z regulatorem możemy użyć do różnych celów, nie tylko do napędu modeli. Np. można takim silnikiem napędzać miniszlifierkę (tak jak było to opisane w TYM wątku). Oczywiście możemy dokupić tester serwomechanizmów i po sprawie, ale czasami potrzeba tylko włączyć/wyłączyć silnik (no i przy okazji coś samemu zmajstrować - satysfakcja gwarantowana ). Poniżej załączam schemat prostego układu tego typu.: Jest to uproszczona wersja układu wyłącznika na podczerwień silnika bezszczotkowego z regulatorem, o czym pisałem TUTAJ. W zależności od pozycji wyłącznika, układ wytwarza sygnał PPM (jeden kanał) dla regulatora (o szerokości impulsu: 0,9ms - wyłącznik S1 rozwarty/silnik wyłączony i 2,1ms - wyłącznik S1 zwarty/silnik załączony na max. obrotów). Dla takiego rozwiązania w regulatorze warto zaprogramować miękki start. Układ można zmontować tradycyjnie z elementów THD (przewlekanych) lub zminiaturyzować w technologii SMT (wykorzystując elementy lutowane powierzchniowo: SMD). Układ jest prosty, nie trzeba nic programować, bo nie ma mikrokontrolerów - użyłem tutaj popularny układ scalony timera 555. Układ został przetestowany - działa bardzo dobrze. Jego działanie możecie zobaczyć w bardziej rozbudowanym wyłączniku na podczerwień z dwustopniowym załączaniem obrotów silnika bezszczotkowego (sprawdzany był z różnymi regulatorami).: FILM z testu1 FILM z testu2 PS Elemety: T2, D1, R5 można pominąć, jeżeli nie potrzebujemy sygnalizacji załączenia z diodą LED.
      • 2
      • Lubię to
  10. Fakt, materiał nie jest "łatwy". Są dostępne dobre kleje do PP, ale ich ceny, póki co trochę porażają, a stosowanie jest wyjątkowo enigmatyczne (między innymi konieczność przechowywania w niskich temperaturach, jak np. Acralock PP 1-02). PP, jak większość tworzyw można też spajać termicznie, ale raczej nie techniki obróbki PP są tematem tego wątku. PS Dla zainteresowanych klejeniem "trudnych" tworzyw FILM testowy z klejenie Acralockiem PP 1-02 teflonu z teflonem, aluminium, stalą, gumą.
  11. Możesz nawet taki układ włączania/wyłączania regulatora bezszczotki (zamiast testera) zrobić sobie we własnym zakresie. Pisałem o tym TUTAJ. Schemat (w większej rozdzielczości dostępny w linku powyżej): Zamiast odbiornika podczerwieni dajesz mikroswitcha i będziesz miał sterowanie ręczne typu Załącz/Wyłącz silnik bezszczotkowy z regulatorem. No i filmiki testowe: FILM1 FILM2, które zrobiłem w celu zademonstrowania jak to ustrojstwo działa. W układzie nie ma mikrokontrolerów, więc nic nie trzeba programować. Są tam tylko dwa popularne układy: 555 i 4013 i trochę elementów R i C. Nie sugerować się wielkością stykowego pola połączeniowego w prototypie (widocznego na filmie). Wszystkie elementy dostępne są w SMD - można to zminiaturyzować i zmontować na mikropłytce uniwersalnej (bez robienia dedykowanego PCB), po czym zalać całość żywicą epoksydową dla wodoodporności.
  12. Ciekawe tworzywo konstrukcyjne do nabycia w Biedronce (2,99/szt.) - arkusze z polipropylenu grubości 0.6 mm i o wymiarach 305 x 380 (waga arkusza: 63g), dostępne w kilku kolorach: Gdyby ktoś szukał to się toto nazywa: "Deska do krojenia".
  13. Tak to była stacja. Stacji nie sposób pomylić z innymi satelitami, przy wysokich przelotach jasnością dorównuje Wenus (-4mag). Powoli kończy się jej aktualna widoczność nad Polską (dane dotyczą Lublina): widoczna będzie do 7 sierpnia potem 20 dni przerwy. U mnie dane co do przelotów MSK, pobrane z Heavens-Above zgadzają się dokładnie. Wokół Ziemi panuje niezły ruch. Codziennie, przez całą noc można zaobserwować średnio do ok. kilkudziesięciu-kilkuset satelitów, ale większość ma jasność raptem 2-4mag czyli są "słabe" (jasność niespecjalnie wyróżniających się gwiazd), więc przy ich obserwacji w mieście dobrze jest posiłkować się byle jaką lornetką. Ze stacji oglądałem tylko filmy dostępne on-line.
  14. Zbyszek, ty się lepiej przyznaj czy nie przesadziłeś z browarami? Zaćmienie długie to i czas się jakoś tak ciągnął niemiłosiernie, więc jakoś trzeba było go urozmaicić!
  15. ssuchy

    Jak załatwić kreta

    ... pewnie tyle, co ogród Romana do lasu.
  16. ssuchy

    Jak załatwić kreta

    Te przemiłe rudzielce też potrafią dać się we znaki, jak ich trochę przybędzie w jednym miejscu. Mam na działce potężny orzech włoski, który rodzi obficie, ale został w całości zaanektowany przez tych rudych gangsterów. Ludzi się praktycznie nie boją, więc straszenie nic nie dawało - po prostu fukały na mnie i obrzucały łupinami orzechów. W końcu "umówiłem" się z nimi , że orzech jest tylko ich, to mi przynajmniej na wiosnę nie objadają pąków magnolii. PS Stefan, to co piszesz to tylko teoria! Ile razy byłeś ostatnio w lesie tak z ręką na sercu? No chyba, że mieszkasz w leśniczówce!
  17. A, to wszystko wyjaśnia. Przy niskich przelotach stacja dużo słabiej świeci, ale raczej ciężko ją pomylić z innymi satelitami. Konkurentem dla ISS (miał od niej dużo jaśniej świecić w założeniach) był rosyjski Majak z zeszłego roku - amatorski satelita, którego zadaniem miało być tylko i wyłącznie rozświetlanie nieboskłonu przy przelocie (dla miłośników obserwacji satelitów). Niestety eksperyment się nie powiódł (nie rozłożył się odblaskowy żagiel).
  18. No i już po zaćmieniu. Następne, tak długie zaćmienie całkowite Księżyca, widziane w kraju będzie za ponad 100 lat. Moje wrażenia. Wschodu zaćmionego już częściowo Księżyca (jak i niedługo po nim wschodu Marsa) nie było widać w Lublinie, bo nad horyzontem wisiały chmury, które na szczęście szybko się rozproszyły i wkrótce zanikły. Więc w zasadzie na pogodę nie można było u mnie narzekać (w porównaniu do innych rejonów kraju), choć warunki nie były idealne do obserwacji astro (ostatnimi laty w moim mieście jest tylko kilka dni w roku z całkowicie przejrzystym niebem ). Dotychczas widziałem już kilka zaćmień częściowych i jedno całkowite (krótkie) Księżyca, ale to było rzeczywiście długi: część całkowite ok. 1,5 godziny, czyli wtedy kiedy Księżyc był całkowicie skryty w cieniu Ziemi. W fazie centralnej zaćmienia wyraźnie widać było mocne pociemnienie centralnej części tarczki z lekkim pojaśnieniem po obwodzie. Księżyc nie był tak spektakularnie "krwawy", jak przy krótkim zaćmieniu całkowitym - raczej był szaro-bury (a może to tylko moje subiektywne wrażenie ze względu na zbyt małą ilość czopków w moim oku, w porównaniu do tego co było za młodu ). Fazę całkowitego zaćmienia oglądałem tylko wyrywkowo, ale ponieważ pogoda do lookania była cały czas dobra, zainstalowałem się na balkonie z browarkiem (zdradzę - tym razem Miłosław niefiltrowany z mojego ulubionego browaru Fortuna ) z myślą żeby wyłażenie naszego Łysego z cienia Ziemi poobserwować w całości, czyli od ok. 23:13 do 0:19 (naszego czasu letniego). Było super (pomijam przyjemności gastryczne ) : początek pojawienia się oświetlonej części Księżyca niesamowity (jakby raptem z podnieconej piersi "wyskoczył" sutek - wrażenie z obserwacji "gołym" okiem), a pod koniec wyłażenia z cienia nasz naturalny satelita wyglądał jak nadgryzione jabłko! Wszystkie 3 punkty z mojego wcześniejszego wpisu odhaczone. Jasny Mars w koniunkcji (co prawda niezbyt bliskiej) z Księżycem wyglądał odjazdowo. No i rzecz jasna przelot MSK przez Zenit, aż rażącej w oczy był wyjątkowo ciekawy. Kto nie oglądał niech żałuje. PS Mateusz, przeczytaj w całości mój wcześniejszy wpis. To była na bank MSK (ISS)!
  19. Roman o zaćmieniu Księżyca piszemy w tym: WĄTKU (o MSK - dlaczego tam? Zajrzeć i sprawdzić.). Zaraz zapodam moje wrażenia z tego zjawiska.
  20. Eeemil, zgadza się! Przykład takiego projektu typu zrób sam z naszego, modelarskiego podwórka: Modelarski miernik uniwersalny z forum alexrc. Mateusz, nie tylko ze styków. Stare Nokie aż "kapały" od złota i miały super przemyślaną konstrukcję mechaniczną: W nowych chińczykach/koreańczykach już tylu złotych kolorków nie znajdziecie (o ile w ogóle).
  21. Faktycznie "oryginalny". Nie znałem tej konstrukcji. Jak twierdzi wujaszek Google i Wikipedia miał to być pokładowy myśliwiec przechwytujący dla US NAVY. Nigdy nie wszedł do produkcji. Zbyt wiele kolejnych wad ujawniano w trakcie oblatywania. Ich poprawki trwały zbyt długo (trwała WWII) i w końcu Grumman olał konstrukcję na rzecz nowszego projektu. Wcześniejsza wersja przed poprawkami była jeszcze "dziwniejsza":
  22. No to teraz już wiemy skąd ta wylinka nad Wisłą (tylko jak ona tam się dostała pod prąd?).
  23. Stefan masz na myśli pewnie: water jet pack ... a TUTAJ jeszcze jeden filmik, gdzie można zobaczyć realizację różnych pomysłów na swobodne latanie. Wszystko w zasadzie dzięki modelarzom, którzy uparcie dążyli do miniaturyzacji silników turboodrzutowych! Na drugim filmiku w 5 min 20 sek. widać wyraźnie elektryczną turbinę (EDF - ciekawe jaki to model) sterującą platformą, o której wspominałem wyżej. Trzeba być kaskaderem z jajami żeby na TYM latać tak swobodnie nad ziemią (nie nad wodą - jak widać czują się już pewnie). Nadal jednak twierdzę, że to tylko klawe, widowiskowe zabawki dla bogatych i tak pewnie zostanie. Pomysły z tego tematu to rzecz jasna ślepa uliczka (to co na razie potrafimy, czyli niewiele w tej materii) - nie na tym będzie polegało swobodne przemieszczanie się ludzi w przyszłości, ale zanim to nastąpi potrzeba jeszcze kilku geniuszy na miarę Einsteina.
  24. Fajne filmiki Roman - marzenie każdego, żeby latać swobodnie gdzie dusza zapragnie. Niestety jeszcze nie szybko się spełni! Od czasów Jamesa Bonda latającego z jetpackiem w filmie Thunderball z 1965 r. niewiele się zmieniło (a to już pół wieku upłynęło od tamtej pory!). Da się teraz, co prawda, dostrzec miniaturyzację w tym zakresie: chyba wykorzystują do napędu i sterowania platformą baterię miniaturowych silników turboodrzutowych (pewnie z zaawansowaną elektronika mikroprocesorową, wspomaganą wieloosiowymi żyroskopami, żeby dało się na tym latać), ale nadal trzeba dźwigać pokaźny plecak ze zbiornikiem paliwa, którego starcza zapewne na parę minut lotu. Cena: $250.000,- sporo jak na taką zabawkę: TUTAJ trochę dłuższy filmik Co ciekawe na początku filmu doliczyłem się 6-ciu turbin odrzutowych w tej platformie (cztery napędowo/sterujące pod spodem i dwie dodatkowe po bokach), a tak mniej więcej od 10 minuty filmu, gościu lata na platformie, gdzie zamiast bocznych turboodrzutowców widać tam turbiny sterujące z napędem elektrycznym (chyba, że mi się coś przywidziało?). PS To musi być niesamowite przeżycie, tak latać swobodnie. Fajnie widać jak przed lotem gościu po załączeniu silników trzyma się chwilę drążka, coby upewnić się, czy żyroskopy z mikrokontrolerem/ami poprawnie przejęły kontrolę nad wszystkimi silnikami turboodrzutowymi.
  25. ssuchy

    PZL P 8/II

    No i lot zaliczony. Michał co to było, podmuch wiatru, czy PZLek jest tak niestabilny, że trzeba go ciągle kontrolować? Filmik trochę za krótki, żeby coś więcej stwierdzić, a taki lekki model wymaga bezwietrznej pogody. Wydaje mi się, że model ma za mały wznios skrzydeł, który powinien być sztucznie powiększony w porównaniu do oryginału (dla zwiększenia stateczności poprzeczno-kierunkowej), zwłaszcza kiedy model nie ma lotek. No i sterem kierunku to tylko cykamy w bezlotkowcu i koniecznie miksujemy skręt z zaciąganiem sterem wysokości (o czym się zapomina gdy przesiadamy się na "bezlotkowca").
×
×
  • Dodaj nową pozycję...

Powiadomienie o plikach cookie

Umieściliśmy na Twoim urządzeniu pliki cookie, aby pomóc Ci usprawnić przeglądanie strony. Możesz dostosować ustawienia plików cookie, w przeciwnym wypadku zakładamy, że wyrażasz na to zgodę.